Impianto elettrico Morini 250T

20/09/2025 21:41 #34863 da Tinox
Impianto elettrico Morini 250T è stato creato da Tinox
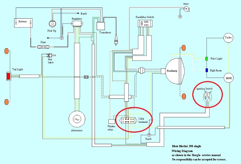
Buonasera a tutti, ho un problema con il collegamento del blocchetto d'accensione e con la morsettiera,
sullo schema elettrico i morsetti del blocchetto chiave sono numerati da 1 a 4, ma sul mio blocchetto
non ci sono numeri o colori ad identificarli.
Riguardo la morsettiera non avendocela ho provveduto a costruirne una collegando i fili come dallo
schema elettrico allegato ma funziona solo la luce stop. Se qualcuno può mandare una immagine dei collegamenti farà cosa gradita.
Grazie
Tino
Allegati:

Si prega Accedi o Crea un account a partecipare alla conversazione.

Moderatori: giumorinclodomoriniRobino62kropot
Tempo creazione pagina: 0.114 secondi
Powered by Forum Kunena

Non sei identificato sul sito.